MS2351M 100MHz~2500MHz 45dB 动态范围的RF检测器/控制器
MS2351M是瑞盟科技一款对数放大器芯片, 主要用于接收信号强度指示RSSI与功率放大器控制, 工作频率范围是100M~2500MHz, 典型动态范围45dB。 各种手持设备和其它无线设备都可使用该芯片。 相对于使用离散的二极管检波器,MS2351M可以提供更宽的动态范围更高的精度。特别地, 在-40℃~85℃温度范围内表现出良好的温度温定性。
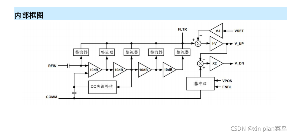
    MS2351M本质上是电压响应器件, 典型的输入信号范围均方根值1.25mV~224mV, 或-58dBV~-13dBV, 这与负载为50Ω时-45dBm~0dBm等效。
为方便应用, 内部使用AC耦合。MS2351M提供两种电压输出。 第一种从引脚V_UP输出, 随着输入信号从-45dBm增大到0dBm, 该引脚输出从0到1.2V, 这时的输出可工作在测量模式。 第二种从引脚V_DN输出, 它是V_UP电压的反相, 且有2倍的增益。 假设供电电压大于3.3V, 那么随着输入信号由最小到最大, V_DN输出从2.25V降到接近于地电位。 该输出可以使芯片工作在控制模式。 这种应用需外部给VSET引脚一个电压, 然后V_DN就可以控制VGA或功率放大器。
主要特点:
完整的 RF 检测器/控制器功能
典型动态范围:-58dBV~-13dBV,或-45dBm~0dBm@50Ω
频率响应范围:100MHz~2500MHz
10dB 阶跃响应时间:70ns
良好的温度稳定性
2.7V~5.5V 的单电源供电
应用:
手持设备:TDMA,CDMA,GSM
无线终端的接收以及发射信号强度指示
发射机功率测量与控制
无线设备很多情况下需要对发射功率的增益做控制,因此首先需要检测功率,然后将这个检测到功率反馈给控制系统以形成闭环控制。之前在检波器芯片市场上多以美系品牌为主,现在我们国产品牌瑞盟电子也推出了其对数放大器芯片MS2351M,它有两种主要的工作模式,测量模式和控制模式,当MS2351M工作于控制模式时基本的连接方式如下图所示:
在该控制系统工作时,我们从耦合器获得检波器的输入信号,在检波器内部,该电平与MCU等控制模块输出的DAC的电平Vset做比较,如果耦合信号电平超过Vset电压时,V-DN减小,使得功率放大器的输出也减小,最终使得耦合信号产生电平与Vset达到平衡。
在这个应用过程中,有几点需要特别注意。
一:V_UP与FLTR之间的电容Cf的选择,该值需要平衡控制系统的稳定性和响应速度,越大越稳定,但是响应时间越慢。因此通常我们会选一个使得控制系统稳定的最小值。
二:该检波器响应的是电压不是功率,因此对于不同调制信号其响应也是不同的,即响应函数图中的截距不同,比如对于均分根功率相同的非调制正弦信号和CDMA信号,CDMA信号的输出电平要低3dB以上
三:在操作时,必须带上防静电腕带,注意静电防护

 
 
 
 
 
 
